Building a Bluetooth adapter for the Skywatcher AZ-EQ6 telescope mount
steemstem·@astrophoto.kevin·
0.000 HBDBuilding a Bluetooth adapter for the Skywatcher AZ-EQ6 telescope mount
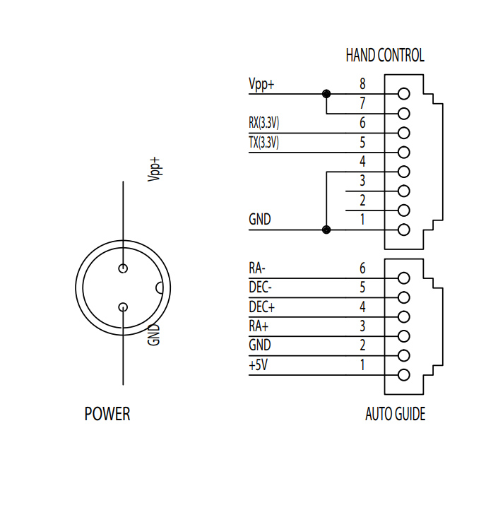
This Post will show you, how you can easily build a Bluetooth adapter for your AZ-EQ6 mount to control it wirelessly from a computer with [EQMOD](http://eq-mod.sourceforge.net/) . This should also work with other Skywatcher mounts, but I have only tested it for my AZ-EQ6. If you have your computer for controlling the mount attached to the telescope like me, you would have no cable to the mount that could tangle up. Also, there is one wire less where you could trip over. In this picture, you will see my actual setup. The Bluetooth adapter is in the red circle.    ## Parts Building a Bluetooth adapter is less complicated and maybe a lot cheaper as you may expect. You need the following parts which you can buy cheap on the internet. | Part | Where to get | | -------- | -------- | | HC-06 3,3V Bluetooth Modul | I purchased mine on eBay | | Step down converter from 12V to 5V | I purchased mine on eBay | | Enclosure | I used an old USB charger. Everything where the parts fit in and that can be screwed would work. | | RJ45 plug | I used an old LAN cable | | Bluetooth dongle | I purchased mine on eBay. Not needed if you have built-in Bluetooth in your computer. | All parts together should cost you less the 15,00€. **You can buy the HC-06 Bluetooth module in two different versions; 5V or 3,3V level voltage. The newer Skywatcher mounts like AZ-EQ6 and EQ6-R have a level voltage of 3,3V which should be 5V compatible. But I would not recommend using the 5V version.**   ## Assembly A view in the manual of the AZ-EQ6 will show the pinout of the hand control jack.  I have modified the kink protection of the RJ45 plug from the LAN cable with a sharp knife so that it will have a flat surface, that can be glued to the enclosure. Watch out to not cut the cable itself. The cable was put through one of the holes, where the 230V pins were before. I have glued it with 2-component adhesive and closed the other hole with it.  After the 2-component adhesive was hardened, I filled the lower part with hot glue. This will protect the cable inside and will make the plug more resilient.  After everything was cooled down, the cable was shortened and the individual wires exposed so that the step-down converter can be soldered to the right wires.  To connect the Bluetooth module, I have soldered cables with a one pin plug to the wires of the RJ45 plug. I will help me to replace the Bluetooth module if it may break.  Then plugged everything plug together. I have the following connections. | Wire | HC-06 pin | | -------- | -------- | | Blue (TXD hand control) | RXD | | Green (RXD hand control) | TXD | | Black GND (step down converter) | GND | | RED +5V (step down converter) | +3.6V - 6V |  After I had tested it and nothing was blown up, I stuffed everything in the enclosure and screwed it together.    ## Conclusion As you see, the effort and the costs are relatively small. Compared to complete, buyable solutions even cheap. It is now working for over a year without any trouble. I also had not a single one disconnection during a session. I use [EQMOD](http://eq-mod.sourceforge.net/) as the controller for my mount. It runs on my ["Astro-PC"](https://steemit.com/photography/@astrophoto.kevin/my-new-astro-pc) together with [Sequence Generator Pro](http://mainsequencesoftware.com/Products/SGPro). [Sequence Generator Pro](http://mainsequencesoftware.com/Products/SGPro) will also provide a bridge that allows me to control the mount via [SkySafari Plus](https://skysafariastronomy.com/) on my iPhone and iPad. ------ **Thank you very much for visiting and reading!** I hope that this has been a useful article for you. If you have any questions or suggestions, please don't be afraid to let me know of anything you thought about this post! Yours, [@astrophoto.kevin](https://steemit.com/@astrophoto.kevin)   ------   All images, otherwise clearly indicated, in this post are my own work. You can use it for free if you credit them to [@astrophoto.kevin](https://steemit.com/@astrophoto.kevin)     
👍 astrophoto.kevin, eloyy, terrylovejoy, opaulo, betelzeus, jamjamfood, agbona, toalsty, argalf, astromaniac, astromaniak, steemstem, alexzicky, lemouth, mahdiyari, alexander.alexis, fancybrothers, howo, planetenamek, felixrodriguez, mayowadavid, enzor, pratik27, utopian-io, tfcoates, robotics101, sco, adetola, rharphelle, shoganaii, olajidekehinde, kingabesh, ajpacheco1610, lianaakobian, anyes2013, cryptoitaly, de-stem, serylt, yann85, albatar, temitayo-pelumi, up-quark, anarchyhasnogods, justtryme90, mountain.phil28, doctor-cog-diss, biomimi, lafona-miner, youtake, zest, borislavzlatanov, thevenusproject, laylahsophia, the-devil, dna-replication, curie, liberosist, meerkat, vact, foundation, awesomianist, locikll, skycae, sissyjill, morbyjohn, himal, peaceandwar, hendrikdegrote, emdesan, anwenbaumeister, lamouthe, neumannsalva, janine-ariane, drmake, anikekirsten, mrday, didic, kind-sir, call-me-howie, hansmast, gatis-photo, moksamol, rachelsmantra, stahlberg, nitesh9, kerriknox, mathowl, saunter, saunter-pl, steem-hikers, pharesim, event-horizon, florae, gra, drsensor, one-person, rjbauer85, kryzsec, amavi, dber, blessing97, carloserp-2000, kenadis, mountainwashere, hadji, fredrikaa, abigail-dantes, dysfunctional, ertwro, bue, churchboy, physics.benjamin, sakura1012, alexdory, jade56, chloroform, ugonma, afrikablr, dexterdev, akeelsingh, suravsingh, whileponderin, mrbreeziewrites, masterwriter, joelagbo, sirdeza, wackou, spederson, michelios, thinknzombie, massivevibration, benleemusic, eric-boucher, kelos, aamin, steepup, derbesserwisser, vanessahampton, theunlimited, culgin, sgbonus, chris.geese, effofex, photonenblende, timewarp, roelandp, traveling-toby,